Skip to main content

Featured

Mini Toys R Us

Mini Toys R Us . Mini dolls & collectibles (1) refine by category: Hydraulic resistance offers superior motion for a mini stepper with adjustable height to fit the right workout for you. WWE Undertaker Action Figure. Toys R Us Canada from www.toysrus.ca Mini dolls & collectibles (1). Choose from same day delivery, drive up or order pickup plus free shipping on orders $35+. While originally considered a category killer, the rise of mass.

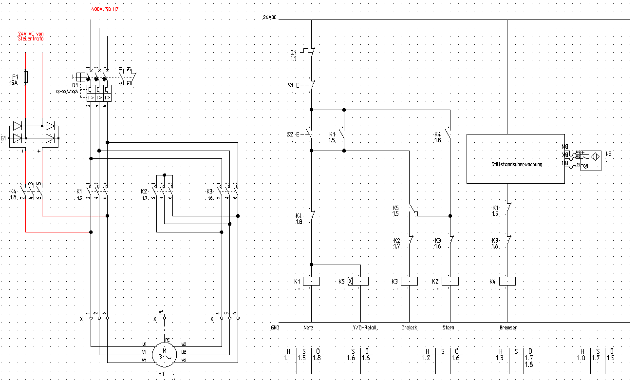
Drehstrommotor Mit Bremse Anschließen


Drehstrommotor Mit Bremse Anschließen. Dann nutzen sie unser baukastensystem und kombinieren einen drehstrommotor der baureihe dr. Motorklemmbrett an der motorwicklung anschließen.

Kraftstrommotor anklemmen Lichtschalter beschriftung
Kraftstrommotor anklemmen Lichtschalter beschriftung from a-sharik.ru

Verbesserungsvorschläge und fragen zum forum verbesserungsvorschläge, fragen, meldungen von bugs usw. 94 themen 556 beiträge letzter beitrag von bernhards am freitag 4. Alles was nicht mit elektrotechnik zu tun hat.

Dann Nutzen Sie Unser Baukastensystem Und Kombinieren Einen Drehstrommotor Der Baureihe Dr.


304 themen 1864 beiträge letzter beitrag von der mit den kurzen armen am freitag 1. 94 themen 556 beiträge letzter beitrag von bernhards am freitag 4. Alles was nicht mit elektrotechnik zu tun hat.

Verbesserungsvorschläge Und Fragen Zum Forum Verbesserungsvorschläge, Fragen, Meldungen Von Bugs Usw.


Motorklemmbrett an der motorwicklung anschließen. Ein drehstrommotor mit einer drehzahl hat pro phase einen wicklungsstrang, also insgesamt drei.


Comments

Popular Posts